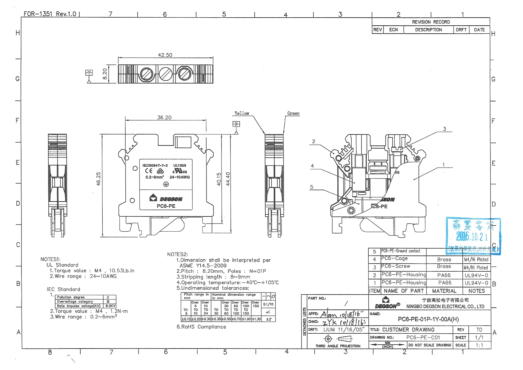
PC6-PE-01P-1Y-00Z(H), Клемма на дин-рейку, 6 кв.мм, 1...
6 октября 2023
152,11 руб.
Нет в наличии
Остатки по складам:
Общий склад: 189 шт
Описание
Альетрнативный артикул: 11010000097
Клемма на дин-рейку, 6 кв.мм, 1 ур, 2 конт, винтовая, земля
Характеристики
| Производитель | Degson |
|---|---|
| Max сечение провода | 6 кв.мм. |
| Тип клеммы | Клемма для заземления |
| Способ фиксации провода | Винтовой зажим |
| Цвет | Желто-зеленый |


