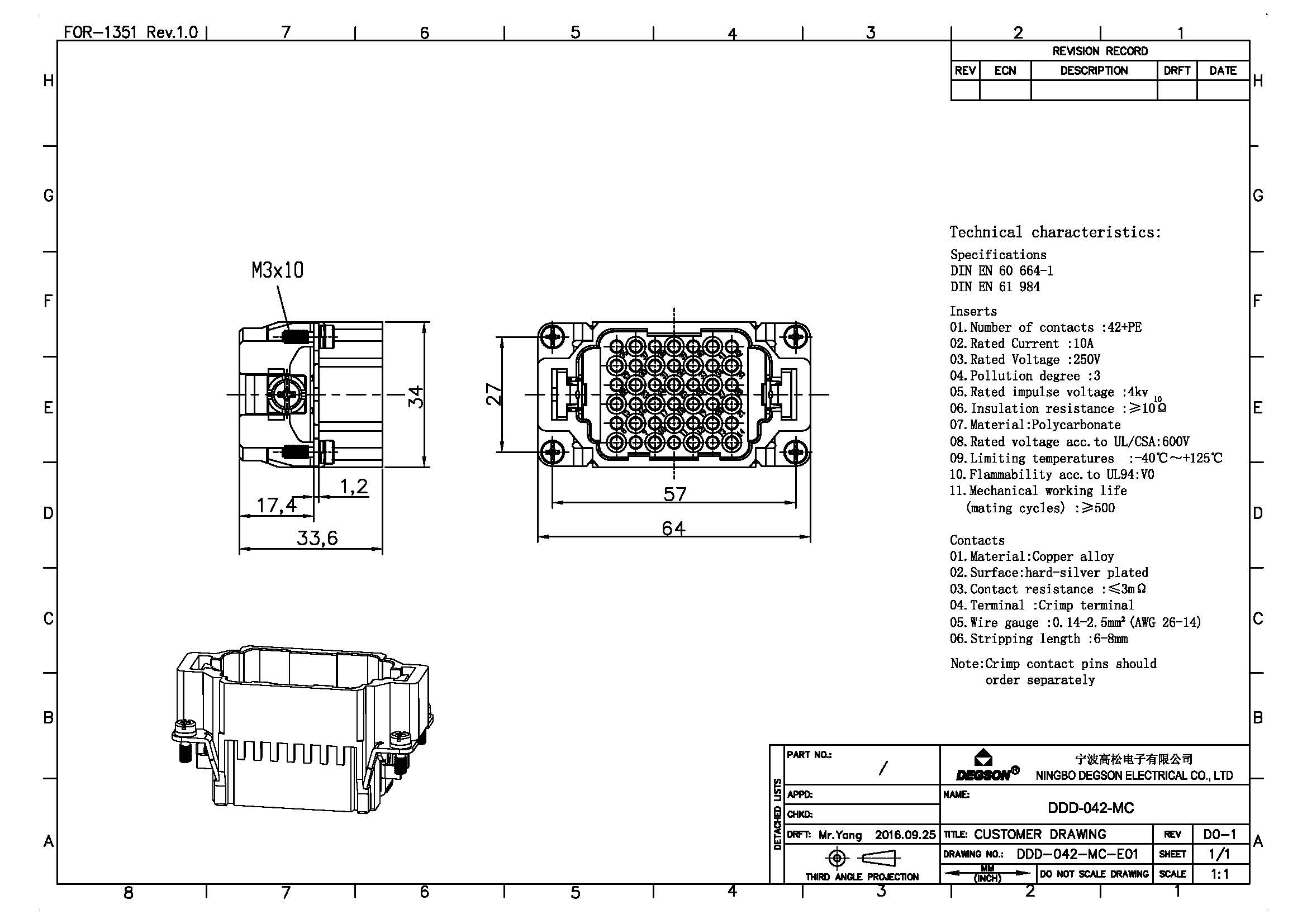
DDD-042-MC, Вставка в разъем, 42П+PE, 120В, 10А,...
6 октября 2023
Описание
Вставка в разъем, 42П+PE, 120В, 10А, розетка, типоразмер 10В, обжимной контакт
Каталожный номер 21020000022
Характеристики
| Производитель | Degson |
|---|---|
| Разъемы, тип | Вставка, розетка |


