2EDGKM-5.08-12P-14-1000Z(H), Клемма на печатную...
6 октября 2023
Описание
Альетрнативный артикул: 10010002632
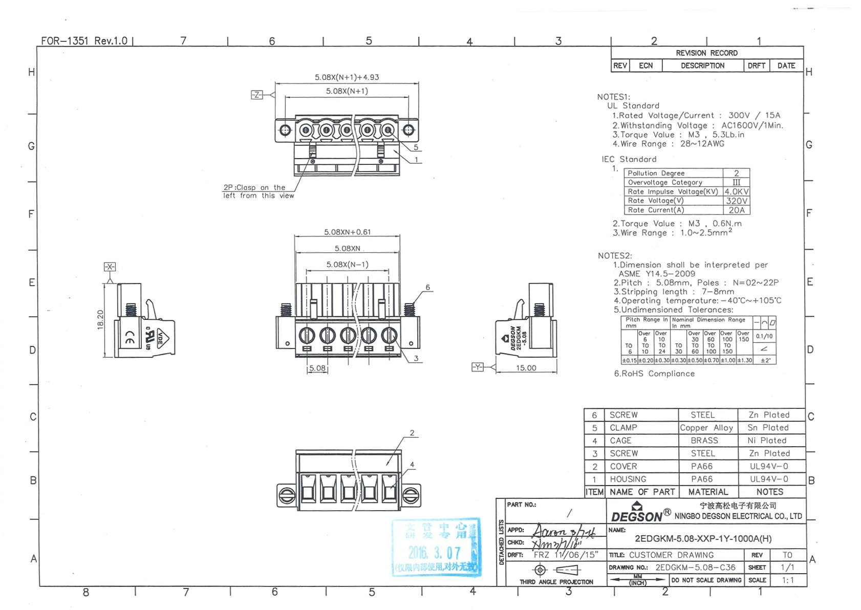
Клемма на печатную плату, 12 полюсов, шаг 5.08 мм, зеленая
Характеристики
| Производитель | Degson |
|---|---|
| Количество полюсов клеммы | 12 |
| Шаг на клемме | 5.08 |
| Цвет | Зеленый |

