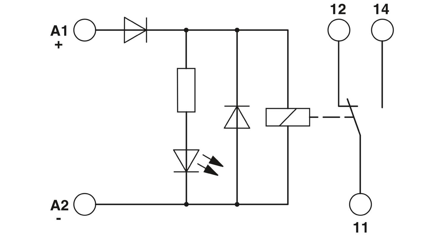
2964500, DEK-REL-G24/21 Релейный модуль, 1CO, 24VDC

23 августа 2024

    Контактные данные




    Ваш город

    Ваше сообщение

      Контактные данные




      Ваш город

      Ваше сообщение

        Контактные данные




        Ваш город

        Ваше сообщение