1803439, MCV 1,5/ 3-G-3,81 Разьём на плату, вилка,3Р,...
23 августа 2024
Описание
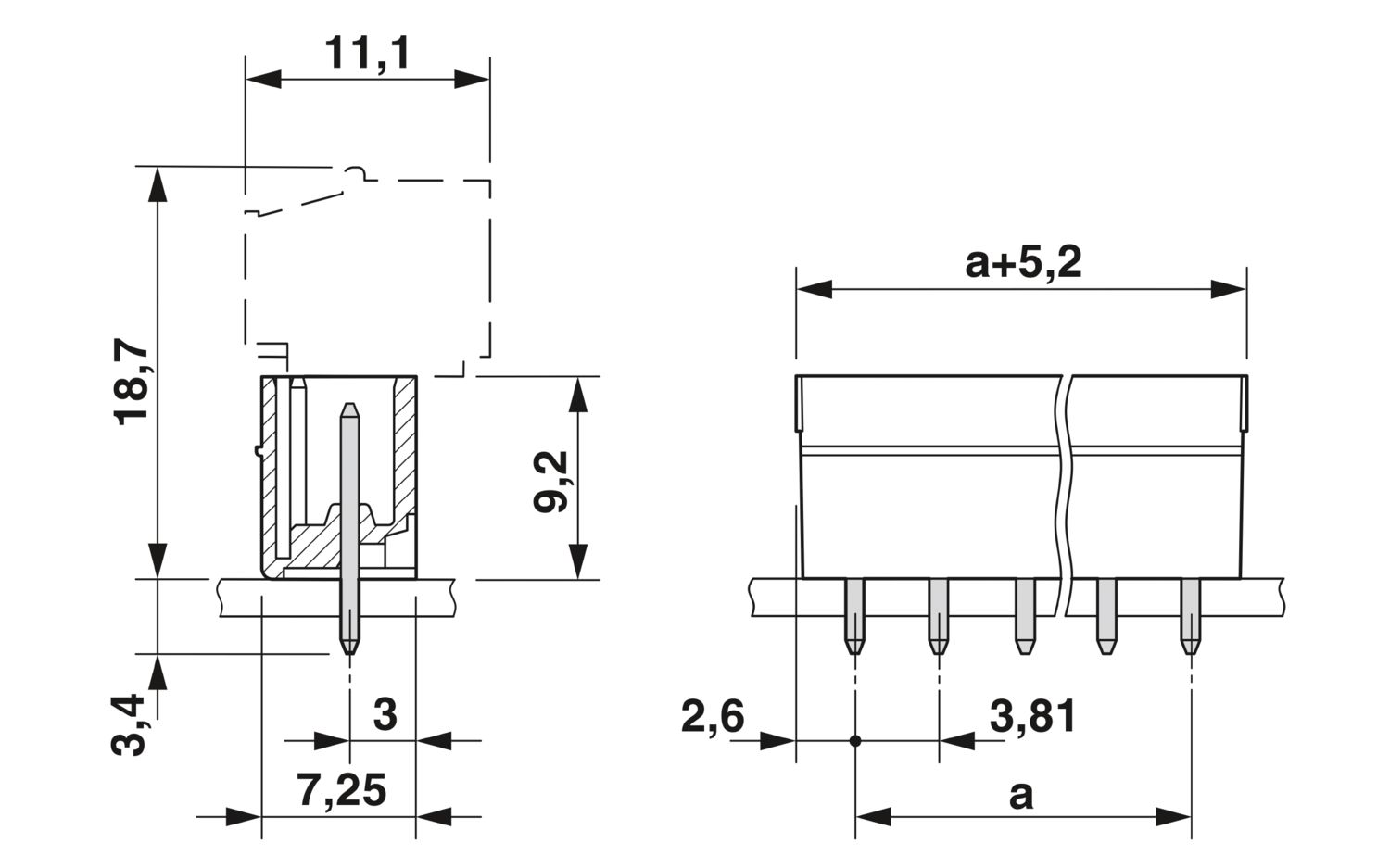
MCV 1,5/ 3-G-3,81 Разьём на плату, вилка,3Р, 8А, 160В
Характеристики
| Производитель | Phoenix Contact |
|---|---|
| Количество полюсов клеммы | 3 |
| Шаг на клемме | 3.81 |
| Цвет | Зеленый |


