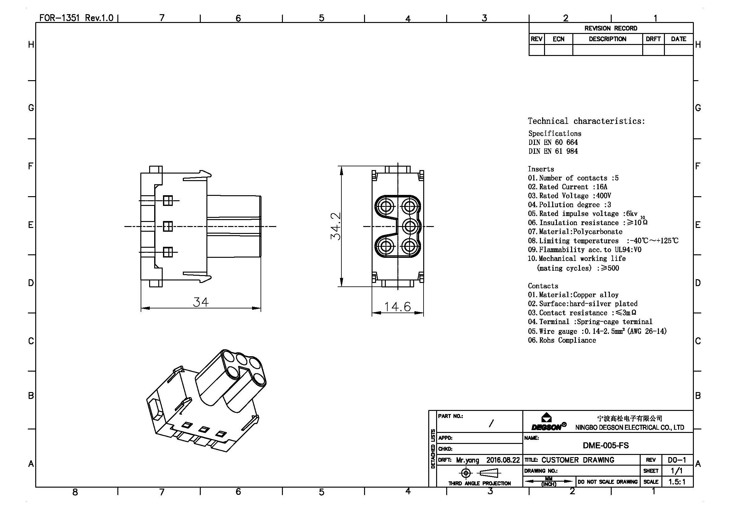
DME-005-FS, Вставка в разъем под рамку, 5 контактов,...
6 октября 2023
Описание
Вставка в разъем под рамку, 5 контактов, 1 модуль, 400В, 16А, 0,14-2,5 кв.мм, вилка, пружинный зажим
Каталожный номер 21020000131
Характеристики
| Производитель | Degson |
|---|---|
| Разъемы, тип | вилка, Вставка |

