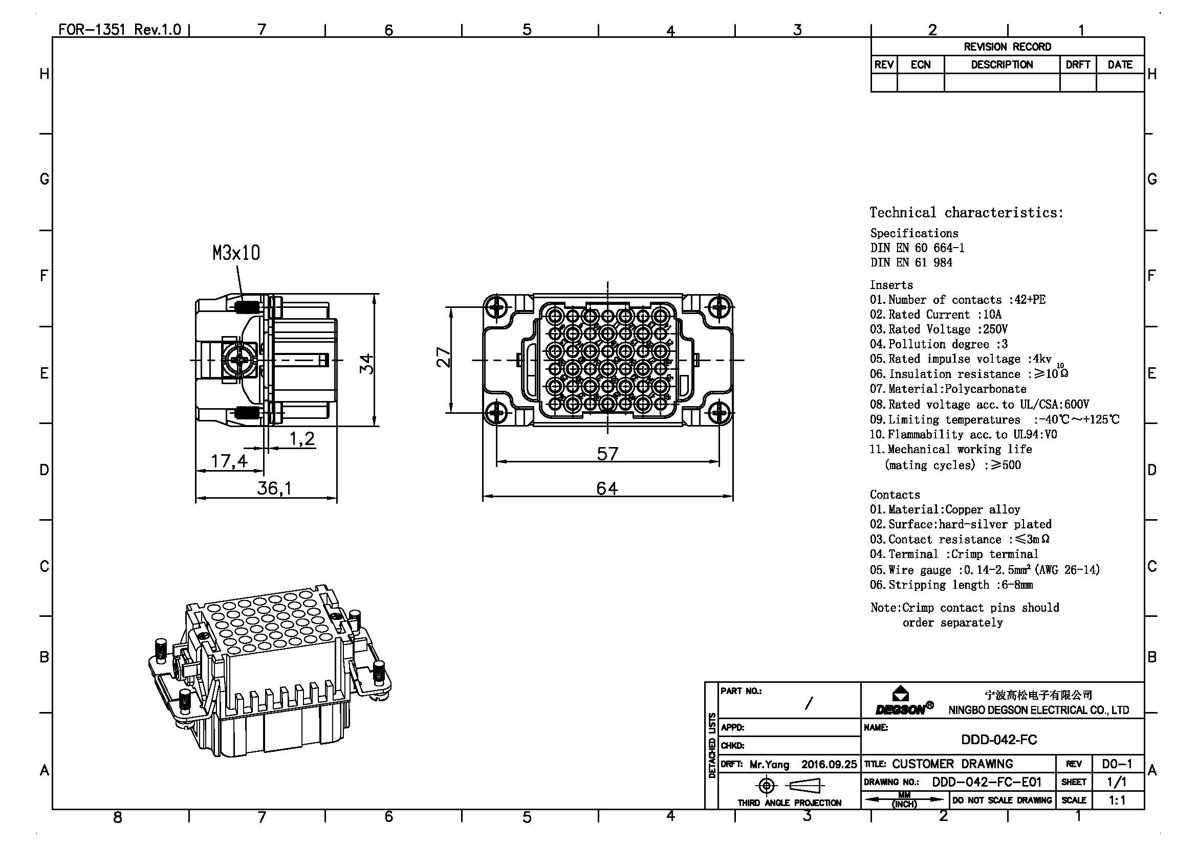
DDD-042-FC, Вставка в разъем, 42П+PE, 120В, 10А,...
6 октября 2023
Описание
Вставка в разъем, 42П+PE, 120В, 10А, вилка, типоразмер 10В, обжимной контакт
Каталожный номер 21020000021
Характеристики
| Производитель | Degson |
|---|---|
| Разъемы, тип | вилка, Вставка |


