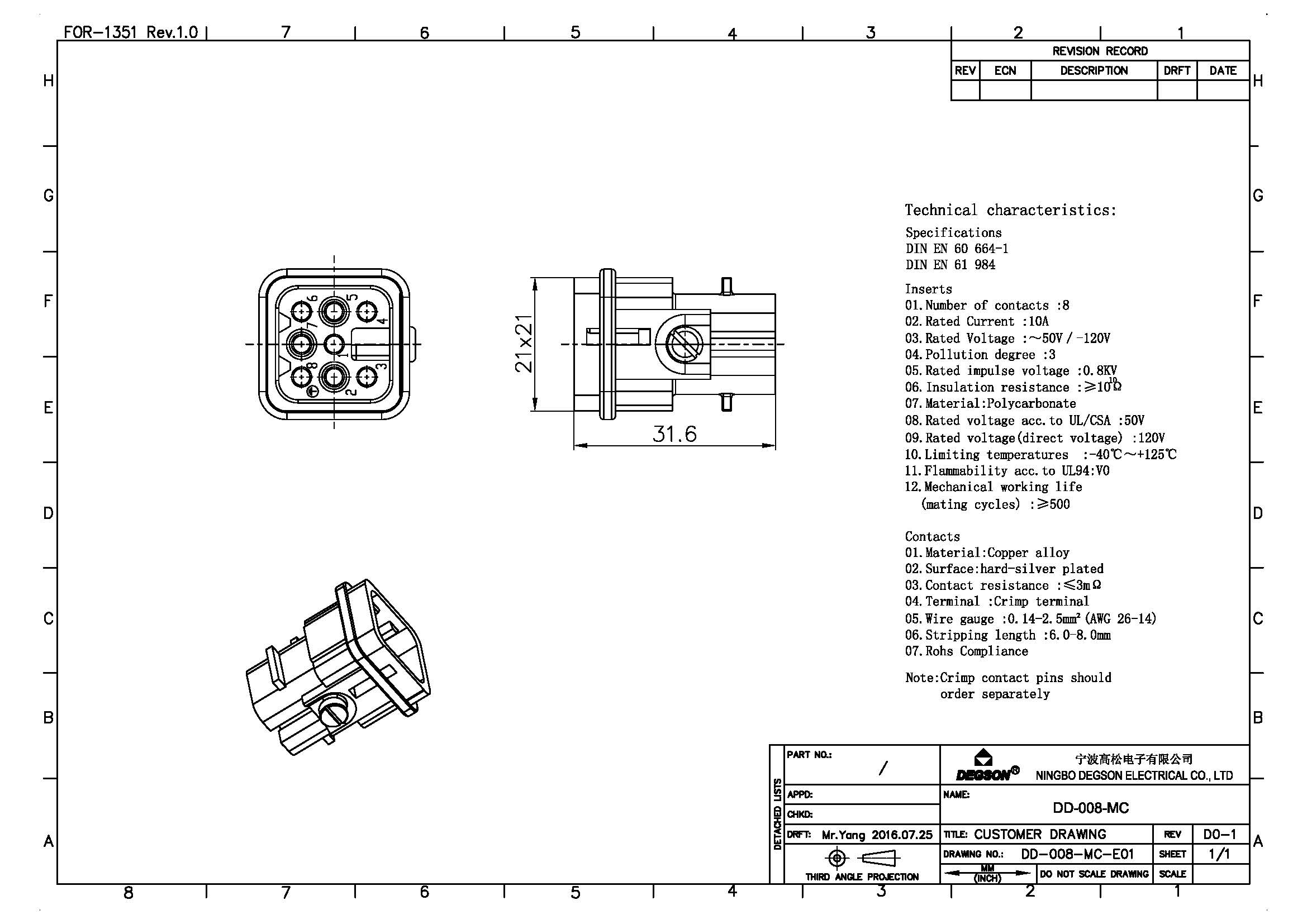
DD-008-MC, Вставка в разъем, 8П+PE, 120В, 10А,...
6 октября 2023
Описание
Вставка в разъем, 8П+PE, 120В, 10А, розетка, типоразмер 3А, обжимной контакт
Каталожный номер 21020000010
Характеристики
| Производитель | Degson |
|---|---|
| Разъемы, тип | Вставка, розетка |


