2476870000, DRIKIT 230VAC 2CO LD DRIKIT 230VAC 2CO LD...
11 июня 2024
Описание
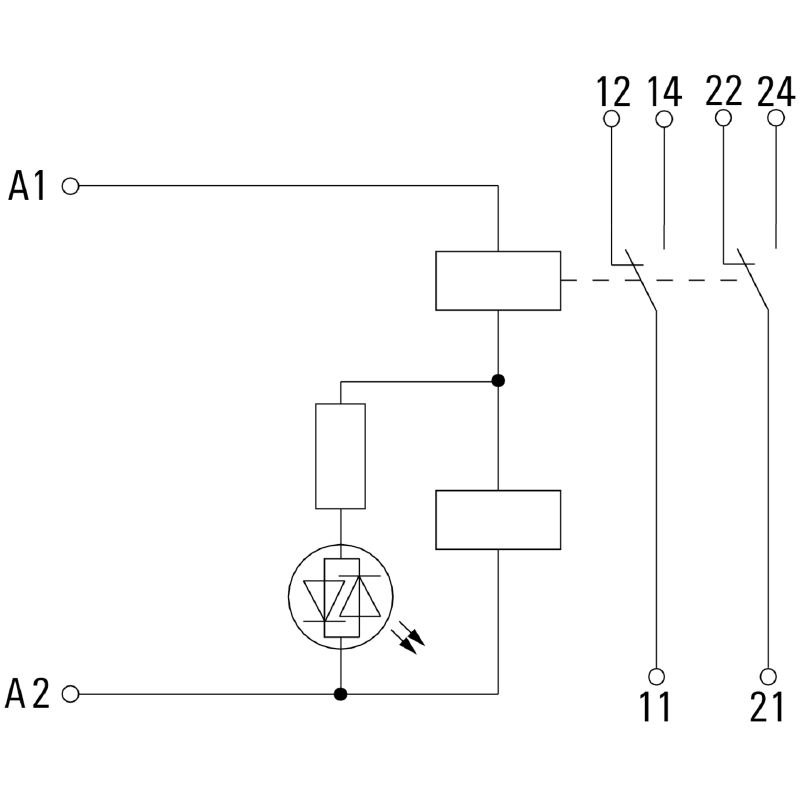
DRIKIT 230VAC 2CO LD DRIKIT 230VAC 2CO LD Релейный модуль в сборе, 2CO, 23VAC, 5A, винт
Характеристики
| Производитель | Weidmuller |
|---|
11 июня 2024
Нет в наличии
Общий склад: 0 шт
DRIKIT 230VAC 2CO LD DRIKIT 230VAC 2CO LD Релейный модуль в сборе, 2CO, 23VAC, 5A, винт
| Производитель | Weidmuller |
|---|
Обратная связь
Запросить цену
Запросить цену
